analog sequencer

analog sequencer


what it is...

here are the schematics of a basic analog sequencer designed by Tom Verheyden.

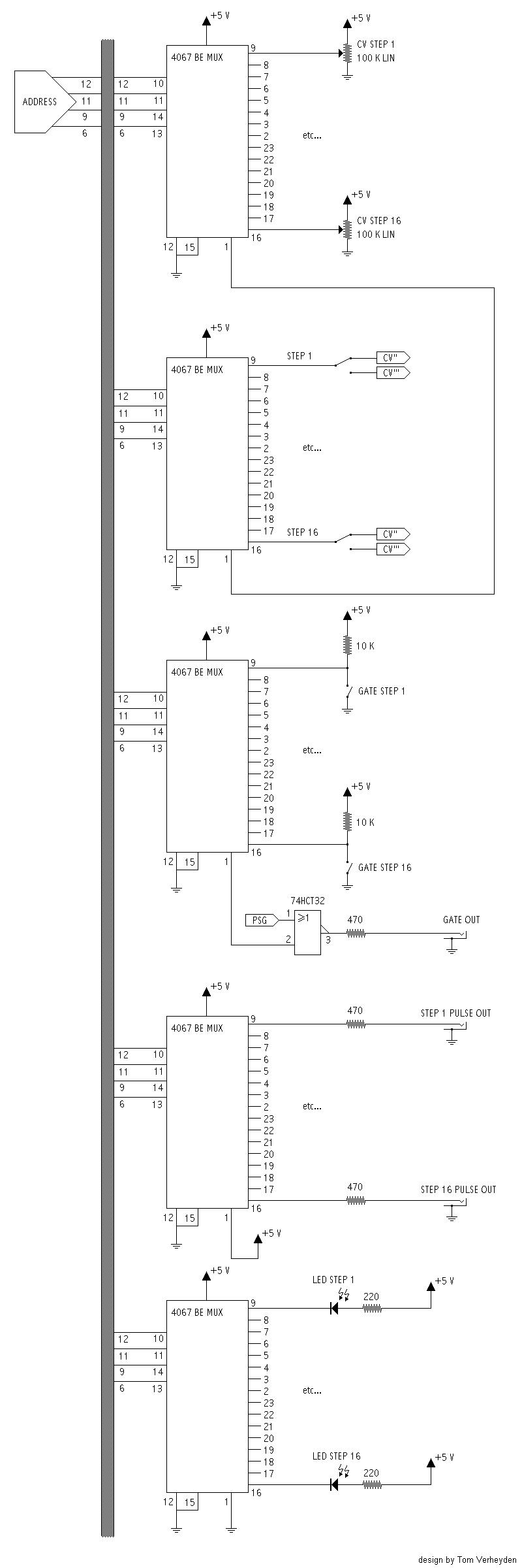
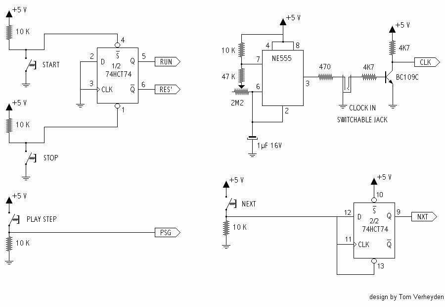
the sequencer outputs a control voltage and gate pulses you can use to control just about any analog synth. the sequencer can run on its own internal clock or the tempo can be controlled externally by feeding the clock input with a trigger signal. it's been tried out with a kenton pro 2, a TR606, a TR707, and a TR808 without any problems. every time the sequencer receives a trigger signal, it plays the next step. the LEDs indicate at which step the sequencer is currently. you don't necessarily have to feed the sequencer with constant 16th or 8th note triggers. interesting effects can be obtained with random triggering...

the basic controls are the START, STOP and RESET buttons. they will respectively start, stop or reset the sequencer. a reset just repositions the sequencer at the first step. you can also reset the sequencer to the beginning of the sequence by feeding the RESET IN JACK with a trigger signal. if you want to create a sequence with less than 16 steps, you just have to connect one of the PULSE OUT JACKS of one of the 16 steps to the RESET IN JACK. this way, the sequencer will reset itsself to step 1 when it reaches the step you connected to the RESET IN JACK (via the PULSE OUT JACK of that step).

you adjust the control voltage of each step with the appropriate CV POT. you can turn the gate signal for each step on or off with the appropriate GATE ON/OFF SWITCH in case you don't want the sequencer to play every note of the sequence. it's like inserting a rest...

you can put portamento on the steps you want via the PORTAMENTO ON/OFF SWITCHES. the portamento time is controlled with a pot.

two comments:

front panel controls

[FRONT PANEL CONTROLS]

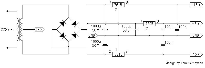
power supply

[POWER SUPPLY]

address generator

[ADDRESS GENERATOR]

controls & clock circuitry

[CONTROL & CLOCK CIRCUITRY]

CVs, gates, LEDs, pulses

[CVs, GATES, LEDs, PULSES]

portamento

[PORTAMENTO]

some IC pin configurations

[IC PIN CONFIGURATIONS]


filip sneppe august 30, 1998